Cerradura certificada EN 1300 Clase A modelo 248
La cerradura de alta seguridad modelo 248 es una cerradura de gorja certificada conforme a la norma europea EN 1300 Clase A, diseñada para sistemas de seguridad mecánica utilizados en cajas fuertes, armarios de seguridad y sistemas de custodia profesional.
Las cerraduras certificadas EN 1300 cumplen exigentes requisitos de seguridad establecidos por los organismos europeos de certificación. Este tipo de cerraduras se emplea en sistemas de protección donde se requiere un mecanismo fiable y resistente frente a manipulaciones.
Sistema de arrastre con tres puntos de bloqueo
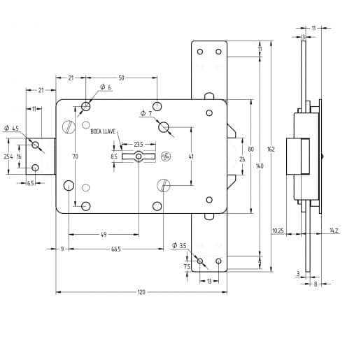
El modelo 248 incorpora un sistema de arrastre con tres puntos de bloqueo que permite accionar simultáneamente distintos elementos de cierre del sistema. Este diseño mejora la resistencia del sistema de cierre y aumenta la seguridad frente a intentos de apertura no autorizada.
El mecanismo dispone de un recorrido de palanca de 11 mm que garantiza el correcto accionamiento del sistema interno de la cerradura.
Alta capacidad de combinaciones
La cerradura ofrece hasta 190.000 combinaciones posibles, proporcionando un elevado nivel de seguridad y reduciendo la probabilidad de coincidencia de llaves.
Además, el modelo permite configuraciones de amaestramiento, lo que facilita la gestión de llaves en instalaciones donde se utilizan múltiples cerraduras.
Certificaciones de seguridad
La cerradura cuenta con certificaciones emitidas por organismos europeos de referencia en seguridad:
- VdS (Alemania)
- A2P (Francia)
Estas certificaciones garantizan que la cerradura ha superado ensayos de seguridad conforme a los requisitos establecidos por la norma EN 1300.
Aplicaciones habituales
- Cajas fuertes
- Armarios de seguridad
- Sistemas de custodia de valores
- Equipos de seguridad profesional
- Instalaciones industriales de seguridad
Dentro de la gama de cerraduras de seguridad se incluyen distintos sistemas diseñados para aplicaciones profesionales.
Puede consultar también las cerraduras certificadas EN 1300 y otras cerraduras de alta seguridad utilizadas en sistemas de protección mecánica.
Características técnicas
| Tipo de cerradura |
Gorja |
| Sistema de cerradura |
Arrastre |
| Nº de combinaciones |
190.000 |
| Posibilidad de amaestramiento |
Sí |
| Nº de combinaciones amaestradas |
Consultar |
| Acabado |
Niquelado |
| Peso |
550 g |
| Certificaciones |
VdS (Alemania) / A2P (Francia) |